






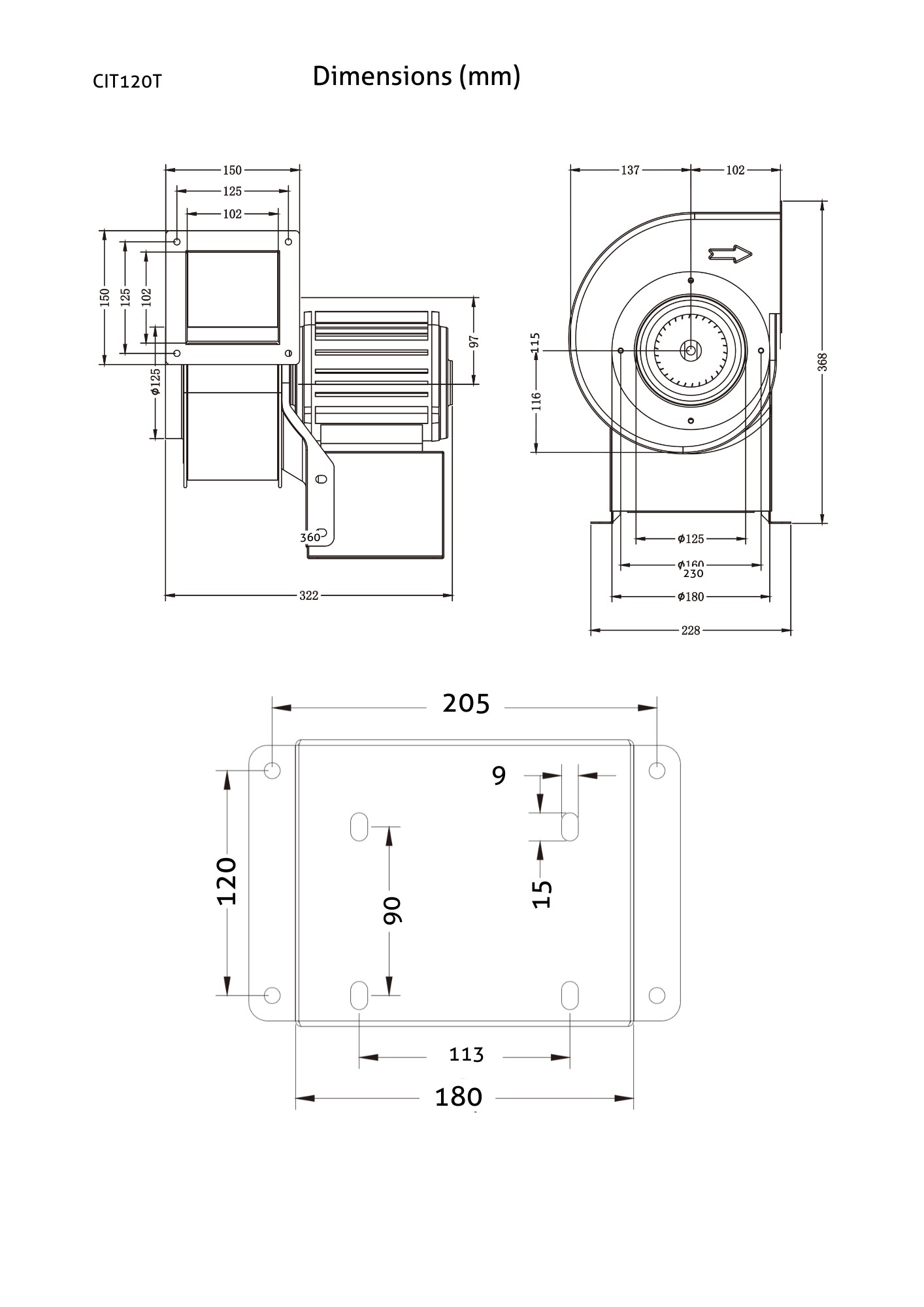
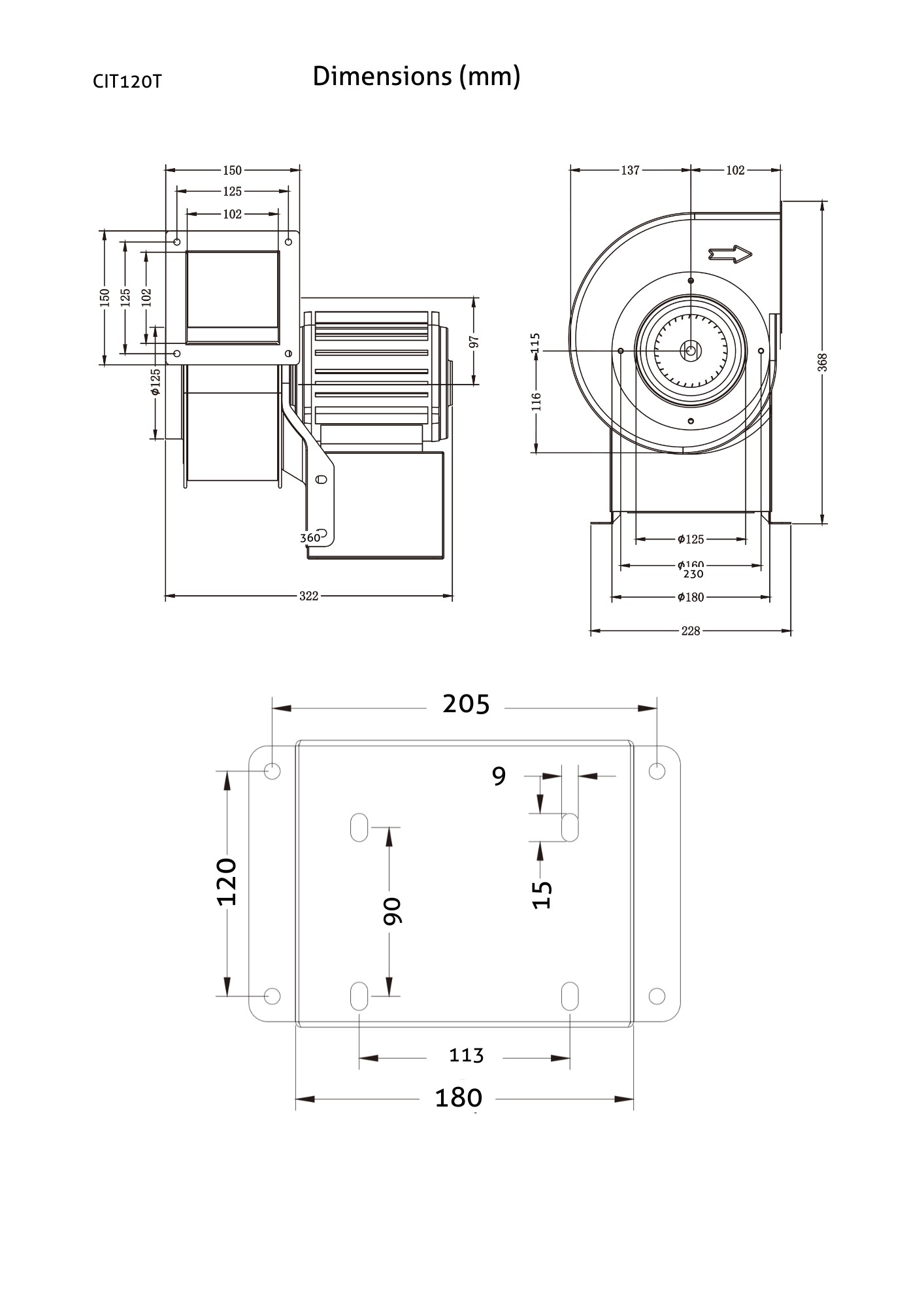
Fan
CIT 120T

Description
Constructive Details
Forward-curved blades
The design features blades that curve in the direction of rotation, enabling it to provide a high airflow at low to medium pressure while ensuring quiet operation and a compact form factor.
Motor Insulation Class F
The F insulation class permits the motor insulation to function safely at a maximum temperature of 155°C.
Fan Type
Centrifugal
Can operate for long periods of time, providing consistent performance. Reliable and versatile, it ensures a constant flow rate at variable pressures.
Motor
AC Brushless
A brushless AC fan motor is an advanced and energy-efficient electric motor. It eliminates the need for carbon brushes and features electronic control, resulting in quieter operation, enhanced longevity, and accurate speed regulation.
Technical Data
Turbionaire CIT ensures an efficient airflow in a compact design, ideal for professional applications, offering high efficiency, quiet operation, and long-term stability. Its robust construction guarantees wear resistance and durability in demanding environments.
Constructive Details
Forward-curved blades
The design features blades that curve in the direction of rotation, enabling it to provide a high airflow at low to medium pressure while ensuring quiet operation and a compact form factor.
Motor Insulation Class F
The F insulation class permits the motor insulation to function safely at a maximum temperature of 155°C.
Fan Type
Centrifugal
Can operate for long periods of time, providing consistent performance. Reliable and versatile, it ensures a constant flow rate at variable pressures.
Motor
AC Brushless
A brushless AC fan motor is an advanced and energy-efficient electric motor. It eliminates the need for carbon brushes and features electronic control, resulting in quieter operation, enhanced longevity, and accurate speed regulation.






